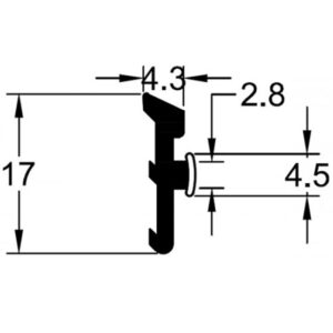
Expansion Joint Seal

Product Code: PX0013

Raw Material :
 PVC Rigid Black (T11)
 PVC Flexible Black

500Mts /Roll